四辊破碎机使用说明

4PG0605四光辊破碎机

四齿辊破碎机
一.四辊式破碎机概述
适用于破碎加工硬度值≤100MPa的物料,如煤、煤矸石、炉渣、页岩、焦碳等。4PG破碎机主要具有以下特点:
1)任何水分条件下,完全不粘不堵;
2)一机几破,破碎比大,粒度均匀可调,能满足需要的粒度(一次性可把300mm大的物料破碎到10mm);
3)采用劈、折、拉破碎理论,不用筛分,几乎不产生过粉碎量;
4)运用空气动力学原理,进料口的负压和出料口的正压很小,排风量非常小,很少扬尘(每立方米悬浮物仅8. 216mg,多数无需除尘装置);
5)特殊的工作方式减少了无用功,电耗小,电机功率仅有同样出力的锤式破碎机的三分之二甚至一半;
6)特殊的结构设计导致振动很小,无需减振平台;
7)超硬物料进入机内,可实现电气和机械双重自我保护;
8)自动换油润滑,保护轴承,延长使用寿命;
9)人性化设计、方便维护维修,自动控制,可远、近程操作。
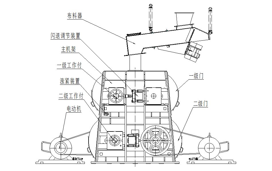
二. 破碎机主要结构

4PG型破碎机主要由主机架、一级和二级工作副、闪退调节装置、皮带轮、电气控制系统、电动机、布料器等组成。4PG型破碎机的主要结构如下图:
主机架:是破碎机的支承部件,支承工作付实现破碎物料的过程;
工作付:是破碎机实现破碎物料的主要部件,是由齿板固定在辊筒的方式上组成齿辊,通过齿辊的啮合,对物料进行劈、折、拉破碎。齿板的联接方式采用的是燕尾镶嵌方式,利用自动楔紧装置工艺,能十分方便快捷地进行拆换。
闪退调节机构:一方面能起到调节粒度的作用,一方面能在进入大的超硬度物料时迅速退让,起到保护设备主要零部件不受损害的作用。
电气控制系统:能对电动机过流、过载保护和工作付失速保护。
布料器:可起到均匀布料的作用,以延长易损件的使用寿命。
三.4PG破碎的工作原理
4PG破碎机的工作原理如下图所示:

4PG破碎机从上至下分成两级破碎,工作时由两个电机分别带动破碎机两侧皮带轮,使上、下两齿辊相向差速转动。同级的两个辊筒相向运转,相互啮合。
当物料进入破碎机后,粒度较小的直接从两齿辊的中间间隙通过,此间隙相当于连续运转的空间格筛,使符合间隙(粒度)要求的物料自动落下,避免了较小物料被破碎。只有那些大于齿间间隙的物料才能在齿辊的轴向、径向受到劈、折、拉等形式的组合破碎,因而既避免了过破碎量的产生,也减少了无用功的耗费。四个辊筒均以一定的差速度运动,使两辊筒互相清扫,从而保证了物料在任何水分下破碎时不粘不堵。并且由于辊筒的减速运动,使物料在齿辊上不停的翻转,在物料的最薄弱处进行破碎,从而达到用最小的力迅速破碎物料的目的。
由于破碎机最忌讳超硬物料(如较大金属块)进入机内,一旦进入,轻则使齿板断齿,重则使破碎机的主要零部件损坏。为了避免这种现象,一般需在进料口前增设电磁除铁器、金属探测器等。而破碎机是在线设备,其可靠性将决定整条生产线的可靠性。所以,设计时充分考虑到万一有超硬超大杂质进入到破碎机时强大的机械惯性会对设备主要零部件造成损坏,除通过电气控制系统在对电机进行过流、过载保护处,还特意设置了闪退调节保护装置和工作付失速保护装置,使得4PG破碎机在使用过程中更加安全可靠。一方面,4PG破碎机主轴本身采用高强度、高韧性锻件,保证主轴有足够的强度和刚度。另一方面,破碎机设置了闪退调节机构。当4PG破碎机中进入了少量的不易破碎的超硬物料时,对于粒度小于退让行程(根据机型,设计为20-40mm)的超硬物料,破碎机闪退调节机构在0.06秒内迅速带动齿辊退让使超硬物料迅速通过退让的齿辊间隙而掉下去,避免堵料和损坏机器主要零部部件,并在0.06秒内自动迅速复位,避免影响生产。而对于粒度大于退让行程的的超硬物料进入破碎机时,当闪退距离超过设计闪退行程时,联接轴承座的安全销会被迅速剪断,同时发出停机指令,达到保护设备的目的。
闪退调节机构还可调节轴承座而带动移动轴承座,从而调整辊筒间距,达到调整粒度的目的。
由于本机四个辊筒在破碎腔中的一、二级破碎界面上形成的空气涡流方向相反,单个辊筒形成的空气涡流在破碎腔中被两两相互抵销,因而在入料口的空气负压和出料口的空气正压非常小,因而排风量很小,扬尘很小,经环保机构测定,本机工作时,周围每立方米空气中粉尘仅为8.216毫克。
由于本机运动中心与其产品中心同一,产生的扰力值很小(仅为1千牛),且由于四个辊筒以一定差速运动,使得破碎机在运行时各方向上的振动相互抵消,从而极大地减少破碎机对安装基础的冲击,设备运行时的动载荷仅为1.3倍静载荷(锤式破碎机为5-7倍)。因而使用本机无需安装振动平台。
由于本机主要采用劈、折、拉破碎方式,因而产生的噪声很小,在1米处测定,仅83分贝。
四、参数选择
|
规格型号 |
进料粒度 |
出料粒度 |
生产能力 |
电动机功率 |
保护方式 |
传动方式 |
|
|
4PG0404PT |
<20 |
0.1-10 |
2-30 |
7.5(11) |
11(15) |
弹簧 |
联轴器或三角带 |
|
4PG0605PT |
<40 |
0.1-15 |
5-60 |
22(30) |
30(37) |
||
|
4PG0806PT |
<40 |
0.1-20 |
8-90 |
30(37) |
37(45) |
||
|
4PG0809PT(Y) |
<60 |
0.1-20 |
12-120 |
37(45) |
45(55) |
弹簧或液压 |
|
|
4PG0812PT(Y) |
<60 |
0.1-20 |
20-180 |
45(55) |
55(75) |
||
|
4PG1012PT(Y) |
<80 |
0.1-30 |
30-220 |
55(75) |
75(90) |
||
|
4PG1212PT(Y) |
<90 |
0.1-40 |
45-320 |
75(90) |
90(110) |
||
|
4PG1216PT(Y) |
<90 |
0.1-50 |
55-400 |
90(110) |
110(132) |
||
|
4PG1218PT(Y) |
<90 |
0.1-50 |
70-500 |
110(132) |
132(160) |
||
工程规划
多年的方案规划经验
标准作业
专业生产加工设备
量身定制
可根据需求定制产品
贴心服务
运行稳定售后保障
如果您需要帮助,可以立即拨打我们的服务热线或点击在线留言!销售服务热线:13849116116
点击在线留言